- 产品特点
- 可传输单路或多路光纤信号 ,多路旋转;
- 光纤接头可选 FC、SC、ST、SMA或LC (PC an d APC)等
- 可混合传输动力电源,控制信号 ,仪表及计算机自动控制所需的微电量信号 ;
- 可与传统的电滑环配合使用,作成光电混合汇流环,传送功率和高速数据;
- 无接触,无摩擦,寿命长,可达1亿转(单芯2-3亿转以上);
- 安全可靠,无泄密,无电磁干扰,可以远距离传输;
订购型号说明

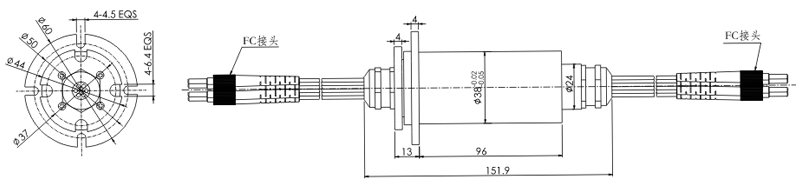
外形图纸

fo800系列滑环技术规格参数
| 指标名称 \ 类型 | 单模(SM) | 多模(MM) |
| 带宽(nm) | ±50 | |
| 最大插入损耗,23℃(dB) | 4 | 3.5 |
| 插入损耗波动(dB) | ≤2 | ≤1 |
| 回波损耗(dB) | ≥55(不含接头) | ≥40(不含接头) |
| 最大输入功率(W) | 0.5 | |
| 最高转速(rpm) | 400 | |
| 预估寿命 | >2亿转 | |
| 工作温度(℃) | -20∼60 | |
| 贮存温度(℃) | -50∼85 | |
相关产品推荐






