- 产品特点
- 支持每路(2A)信号,(可选做倍率*2A使用);
- 转速从0~1000转多种规格;
- 标准型号支持1~24路(每路2A)信号,其它通路数可定制;
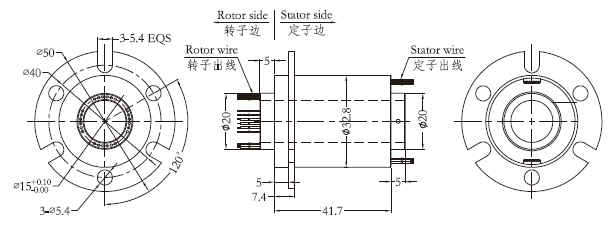
- 孔径:15mm ,外径:32.8mm;
- 接触材料采用贵金属+超硬镀金处理;
- 电阻波动小,接触电阻小,保证优良的传输性能。
订购型号说明

外形图纸

标准型号列表
| 型号 | 线路数(信号或0-2A) | 长度L(mm) |
| H1532-06S | 6 | 41.7 |
| H1532-12S | 12 | 41.7 |
| H1532-18S | 18 | 41.7 |
| H1532-24S | 24 | 41.7 |
*注:N个2A电流环并起来可做1路N*10A电流使用,比如:2环2A并起来可做1路4A使用;
h1532系列滑环技术规格参数
| 机械技术指标 | |
| 工作寿命 | 参考产品等级选型表 |
| 额定转速 | 参考产品等级选型表 |
| 工作温度 | -30℃∼80℃ |
| 工作湿度 | 0∼85% RH |
| 接触材料 | 参考产品等级选型表 |
| 壳体材料 | 铝合金 |
| 转动扭矩 | 0.05N.m+0.02N.m/6路 |
| 防护等级 | IP51 |
| 电气技术指标 | ||
| 参数 | 功率 | 信号 |
| 额定电压 | 0∼240VAC/VDC | 0∼240VAC/VDC |
| 绝缘电阻 | ≥500MΩ/500VDC | ≥500MΩ/500VDC |
| 导线规格 | AWG28#镀银铁氟龙 | AWG28#镀银铁氟龙 |
| 导线长度 | 标准长度300mm (可根据要求调整) |
|
| 绝缘强度 | 500VAC@50Hz,60s | |
| 动态电阻变化值 | < 0.01Ω | |
h1532产品等级
| 产品等级代号 | 最高转速 | 工作寿命 | 接触材料 |
| C(通用级) | 250RPM | 2000万转 | 贵金属 |
| D(工业级) | 600RPM | 8000万转 | 镀金-镀金 |
| H(高端级) | 1000RPM | 1.5亿转 | 金合金 |
相关产品推荐






