HF0218-64系列两通道18GHz高频旋转接头
双通道,通道1:DC~18GHz,通道2:DC~4GHz,可选1~24路功率/信号,主体外径64mm
米兰app体育官方入口下载手机版HF0218-64系列高频旋转接头一款两通道18GHz高频旋转接头,频率范围为DC到18GHz,接头类型采用SMA-K/SMA-K,设计最大转速为每分钟60转。HF0218-64是在HF0218-31的基础上增加了24路电滑环通道,是专门为满足高速串行数字信号或模拟信号传输(并需要传输1~24路电流)而开发的产品。该系列高频旋转接头的默认电流为5A,如需增加电流通路或改变电流大小,或者需要技术咨询、售前咨询或者索求方案,请联系米兰app体育官方入口下载手机版技术人员。
- 产品特点
- 同轴射频通道:2通道,电滑环通道:1~24通路;
- 传输频率范围:DC~18GHz+DC~4GHz;
- 优越的插入损耗与电压驻波比;
- 适用用于车载云台、船载云台、雷达、吊舱、微波天线测试台;
- 360度旋转导电并稳定传输同轴射频信号;
- 一体化结构设计,安装方便;
订购型号说明

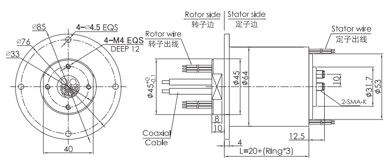
外形图纸

标准型号列表
| 型号# | 射频通道数 | 工作频率范围 | 10A电流路数 | 2A信号路数 | L长度 |
| HF0218-64-0610 | 2通路 | DC∼18GHz | 6路 | 0 | 32mm |
| HF0218-64-06S | 2通路 | DC∼18GHz | 0 | 6路 | 32mm |
| HF0218-64-12S | 2通路 | DC∼18GHz | 0 | 12路 | 44mm |
| HF0218-64-18S | 2通路 | DC∼18GHz | 0 | 18路 | 56mm |
| HF0218-64-24S | 2通路 | DC∼18GHz | 0 | 24路 | 68mm |
hf0218-64系列滑环技术规格参数
| 技术指标 | ||
| 第一通道 | 第二通道 | |
| 接口类型 | SMA 母头 (50欧姆) | SMA 母头 (50欧姆) |
| 类型 | I 型直通 | I 型直通 |
| 工作频率范围 | DC to 18 GHz | DC to 4 GHz |
| 峰值功率(最大值) | 3000瓦 | 3000瓦 |
| 平均功率(最大值) | 50 W @ 18 GHz | 50 W @ 4 GHz |
| 驻波比(最大值) | 1.2 @ 0 - 4 GHz 1.5 @ 4 - 18 GHz |
1.4 @ 0 - 2 GHz 2.5 @ 2 - 4 GHz |
| 驻波比360度变化 (最大值) |
0.04 | 0.36 |
| 插入损耗(最大值) | 0.08 dB @ 4 GHz 0.48 dB @ 18 GHz |
0.48 dB @ 2 GHz 0.98 dB @ 4 GHz |
| 插损360度变化 (最大值) |
0.05 dB | 0.25 dB |
| 相位360度变化 (最大值) |
1 ° | 2 ° |
| 隔离度 | 60 dB | |
| 机械与环境参数 | |||
| 转动速度(最大值) | 50RPM | ||
| 启动力矩(最大值) | 5牛·厘米 | ||
| 温度 (环境范围) | -40 to +70℃ (操作环境) | ||
| -50 to +70℃ (储藏环境) | |||
| 防护等级 | IP 60 per EN 60529 | ||
| 使用寿命(最小值) | 1000万转 | ||
| 转动力矩(最大值) | 5牛·厘米 | ||
| 湿度(环境范围) | 85% (操作环境) | ||
| 95% (储藏环境) | |||
| 绝缘材料 | 聚四氟乙烯 | ||
| 机械技术指标 | |
| 工作寿命(参考值) | 1000万转 |
| 最高转速 | 50RPM |
| 温度(环境范围) | -30℃∼80℃ |
| 湿度(环境范围) | 0∼85% RH |
| 接触材料 | 金/金 |
| 壳体材料 | 铝合金 |
| 转动扭矩 | 0.05N.m+0.01N.m/6路 |
| 防护等级 | IP51 |
| 电气技术指标 | ||
| 参数 | 功率 | 信号 |
| 额定电压 | 0∼440VAC/VDC | 0∼240VAC/VDC |
| 绝缘电阻 | ≥500MΩ/500VDC | ≥300MΩ/300VDC |
| 导线规格 | AWG#17镀银铁氟龙 | AWG#22镀银铁氟龙 |
| 导线长度 | 标准长度250mm (可根据要求调整) |
|
| 绝缘强度 | 300VAC@50Hz,60s | |
| 动态电阻变化值 | < 0.01Ω | |
相关产品推荐






