- 产品特点
- 气动旋转密封接头,24个气动通路密封旋转,互不干扰;
- 可以混合功率动力线、信号线、以太网、USB、工业总线、控制线、电磁阀、感应线等;
- 标准为法兰安装形式,可定制空心轴安装;
- 能通过的介质有: 压缩空气、氢气、氮气、化学混合气体、蒸汽、冷却水、热水、热油、石油、硫酸、饮料等。
订购型号说明

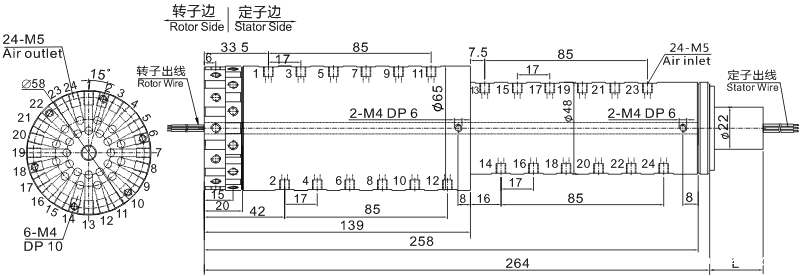
外形图纸

标准型号列表
| 型号 | 气管数量 | 接口尺寸 | 可适应气管 |
| 3024004 | 24进24出 | M5 | 4∼6mm |
外形图纸

标准型号列表
| 型号 | 气管数量 | 接口尺寸 | 可适应气管 | 信号(2A)路数 | L长度(mm) |
| 3024004-06S | 24进24出 | M5 | 4∼6mm | 6 | 14 |
| 3024004-12S | 24进24出 | M5 | 4∼6mm | 12 | 21 |
| 3024004-24S | 24进24出 | M5 | 4∼6mm | 24 | 35 |
| 3024004-36S | 24进24出 | M5 | 4∼6mm | 36 | 52 |
3024004系列滑环技术规格参数
| 气管数量 | 24进24出 |
| 气管大小 | M5牙 支持(4~6mm气管) |
| 机械技术指标 | |
| 参数 | 数值 |
| 工作寿命 | 参考产品等级表 |
| 最高转速 | 参考产品等级表 |
| 工作温度 | -30℃∼80℃ |
| 工作湿度 | 0∼85% RH |
| 接触材料 | 贵金属接触 |
| 壳体材料 | 铝合金 |
| 最大压力 | 正压:1Mpa,真空:-90kPa | |
| 扭矩 | <2.4N.m | |
| 电气技术指标 | ||
| 参数 | 数值 | |
| 功率 | 信号 | |
| 额定电压 | 0∼240VAC/VDC | 0∼240VAC/VDC |
| 绝缘电阻 | <500MΩ/300VDC | <500MΩ/300VDC |
| 导线规格 | AWG26#镀银铁氟龙 | AWG26#镀银铁氟龙 |
| 导线长度 | 标准长度250mm(可根据要求调整) | |
| 绝缘强度 | 500VAC@50Hz,6s | |
| 动态电阻变化值 | <0.01Ω | |
| 防护等级 | IP51 | |
3024004产品等级
| 产品等级代号 | 最高转速 | 工作寿命 | 型号举例 |
| C(通用级) | 连续200RPM,间歇1000RPM | 1000万转 | 3024004-C |
| D(工业级,默认不写) | 连续250RPM,间歇1500RPM | 2000万转 | 3024004 或者 3024004-D |
相关产品推荐






